ComfortZone 100
Projekce: 112 mm
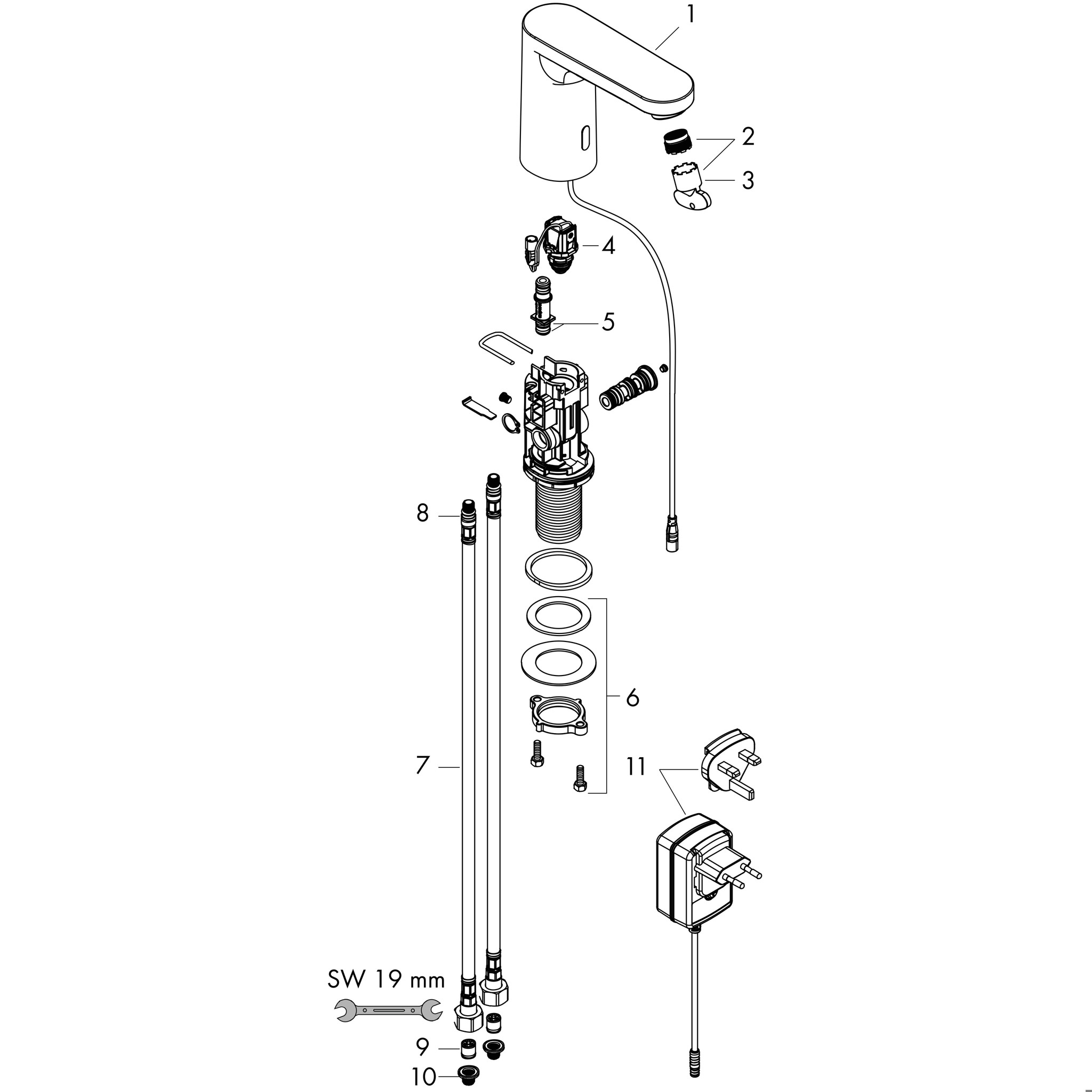
Typ trysky: normální tryska
otočná tryska
Maximální průtok při 3 barech: 5 l/min
Možnost přednastavení teploty
zpětná klapka
Nevhodné pro průtokové ohřívače vody
Infračervená bezkontaktní elektronika
Automatické přizpůsobení infračervených čidel okolnímu prostředí
230 V AC ± 10 %/ 50- 60 Hz
Nastavitelná doba provozu
Doba chodu: 10 s, 20 s, 30 s
Možnost aktivace hygienického splachování (automatický průtok vody)
Frekvence hygienického proplachování: 24 h, 48 h, 72 h
Doba hygienického proplachování: 10 s, 20 s, 30 s
Lze aktivovat kontinuální proplachování (jednorázový cyklus vody po dobu 200 s, vhodné pro termickou dezinfekci)
Funkce čištění: ruční zastavení vody pro čištění umyvadla
Typ připojení: G ⅜ připojovací hadice
Sítka na zachycení nečistot v připojovacích hadicích
Frekvence hygienického splachování a doba splachování hygienického splachování jsou vzájemně závislé (24 h - 10 s, 48 h - 20 s, 72 h - 30 s).